(863) 30-33-905

г. Ростов-на-Дону, ул. Таганрогская, д. 128 Б

Насосная станция Wilo HiMulti 3 H 50/2-45 (2549352)

93 800.00 Р

Характеристики Насосная станция Wilo HiMulti 3 H 50/2-45 (2549352)

Производитель
Wilo
Артикул
2549352
Тип
поверхностный
Установка
горизонтальная
Тип входного напряжения
230 В
Тип поверхностного насоса
насосная станция
Макс. мощность (кВт)
0.8
Качество воды
чистая
Глубина погружения/всасывания
7 м
Напор
38 м
Пропускная способность
4 м3/ч
Подключение на напорной стороне
резьба 1
Подключение на всасывающей стороне
резьба 1
Повышение давления
да
Страна бренда
Германия
Доп. информация
подключение напор/всасывание - G 1/G 1
Найти похожие

Насосная станция Wilo HiMulti 3 H 50/2-45 (2549352)

Представляем надежную насоснаю станция Wilo HiMulti 3 H 50/2-45 (2549352), которая представляет собой надежным решением для долговечного функционирования системы. Эта модель разработана на базе жестких отраслевых стандартов качества. Машина идеально предназначена для быстрого решения поставленных задач в интенсивном режиме.

Область эксплуатации агрегата подразумевает применение для частных домовладений, промышленных предприятий и инфраструктурных объектов. Крепость конструкции позволяет эксплуатировать устройство в широких климатических условиях. Машина крайне востребована при выполнении профильных работ на специализированных предприятиях. Современная компоновка заметно облегчает процесс монтажа и повседневную эксплуатацию.

Главные преимущества:

  • Тип поверхностного насоса: насосная станция.
  • Макс. мощность (квт): 0.8.
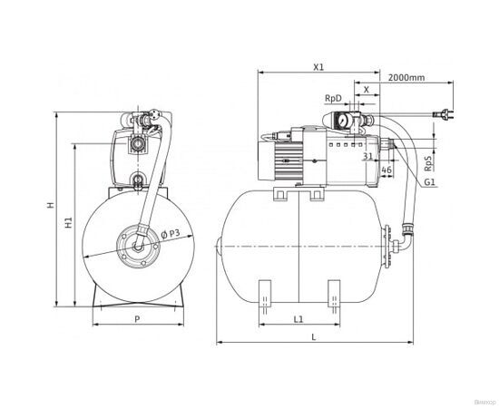
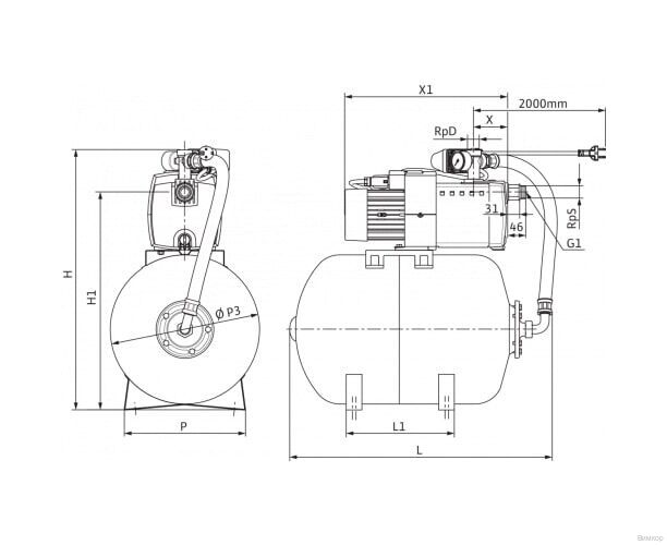
  • Значимый факт: Ключевые характеристики: Готовый смонтированный блок с электропроводкой, состоящий из многоступенчатого горизонтального центробежного насоса с сухим ротором, не самовсасывающего, с непосредственно прифланцованным электродвигателем (не требующее техобслуживания скользящее торцовое уплотнение в месте прохода вала), а также мембранным напорным баком.
  • Инженерное решение: Двухполюсный однофазный электродвигатель с кабельным вводом, конденсатор в соединительной коробке, защитный выключатель электродвигателя с автоматическим повторным включением, манометром, манометрическим выключателем, гибким напорным шлангом и сетевым кабелем со штекером.

Современный дизайн объединяет практичность и удобство. Модель адаптирована к отечественным реалиям, что делает агрегат настоящим хитом в данном сегменте. Положительные отзывы подтверждают отличную производительность аппарата. Техническое обслуживание сводится к периодическому визуальному осмотру основных узлов. Следование регламенту гарантирует надежную работу без необходимости частых починок.

Предоплата - 2 000 р.

Насосная станция Wilo HiMulti 3 H 50/2-45 (2549352) купить с доставкой

-  самовывоз - бесплатно. Срок - 5 дней после оформления заказа.

-  доставка по городу - 1 000 р.

-  доставка по региону - по согласованию с менеджером

-  возможна доставка транспортными компаниями ПЭК, Деловые Линии, ЖелдорЭкспедиция. 

Отзывы о Насосная станция Wilo HiMulti 3 H 50/2-45 (2549352) от реальных покупателей

Отзывы не найдены